山東萬象環境科技有限公司
聯系人:周經理
銷售電話:19853697985
銷售QQ:3836021633
公司地址:山東省濰坊高新區新城街道玉清社區光電路155號濰坊高新區光電產業加速器(一期)1號樓301

聯系人:周經理
銷售電話:19853697985
銷售QQ:3836021633
公司地址:山東省濰坊高新區新城街道玉清社區光電路155號濰坊高新區光電產業加速器(一期)1號樓301

一、漂浮式水質自動監測站產品簡介
漂浮式水質自動監測站又稱水質浮標站,浮標水質監測站,漂浮式水質自動監測站是山東萬象環境研發生產的一款無需人工值守的小型水質監測站,具有價格優惠,安裝方便,測量準確的優點,還可實現遠程觀測實時的水雨情信息,能夠準確測量出水中各種污染物的濃度,為水質評價提供準確的數據支持
1.水質浮漂監測站SFA集數據采集、存儲、傳輸和管理于一體的無人值守的采集系統。它在工農業生產、旅游、城市環境監測、地質災害、防洪、供水調度、電站水庫水情管理等為目的水文自動測報系統;功能強大的上位機軟件可遠程觀測實時水雨情信息,具有數據庫、報表、下載等功能,用戶還可利用該功能完善的氣象軟件對記錄的數據作進一步的處理分析。
2.SFA06款浮標是由水質傳感器(水溫、電導率、PH、溶解氧、氨氮、濁度)、數據采集儀、通訊系統、供電系統、整體 支架、水質監測平臺六部分組成。同時可擴展COD、葉綠素、懸浮物等多項水質要素。數據采集儀具有數 據采集、實時時鐘、數據定時存儲、參數設定和標準2G/4G(GPRS)通信功能。
二、漂浮式水質自動監測站產品特點
1.易部署:各類型探頭進行高度集成,安裝方便;提供免費云平臺服務,系統快速上線;
2.易維護:設備安裝后,自行工作即可,無需人工值守,也可以通過遠程監控的方式保障設備的正常運行;
3.易擴展:傳感器探頭均使用統一的通信協議,可以快速對接原設備,快速擴展監測參數;
4.低功耗:設備可以實現低功耗狀態下,長時間運行,增加設備使用的便利性;
5.實時性:設備監測到的數據實時傳輸至云平臺,提升環境數據反饋的及時性。
三、技術參數
1. 主體參數
| 產品名稱 | 描述 |
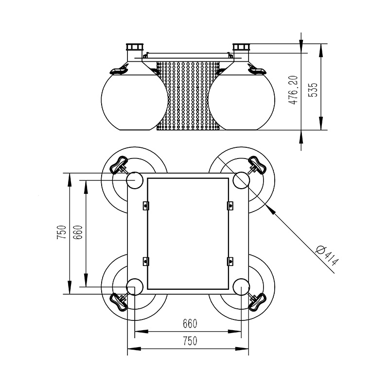
| 環境水質監測浮標 | 可實時實現多路參數在線監測??蓪崿F電池電量監控??蓪崿F云平臺數據監控、數據推送、數據的存儲和報警功能;數據的無線發射功能。峰值功耗為 5W;傳感器功耗 0.25W左右/只。外形尺寸:750mm*750mm*535mm。浮球直徑414mm重量:22kg |
| 采集器數據采集 | 運行可靠,抗干擾,可集成多路RS485/MODBUS-RTU從站設備 |
| 采集器數據輸出 | 1 路 Rs485/JSON協議輸出 |
| 電池 | 鋰電池 12VDC,20AH(默認) |
| 太陽能電池板 | 22.1V/50W(默認) |
| 供電能力 | 定制選型;陰雨天間歇工作 5天以上 |
| 位置指示(選配) | 警示燈;GPS 定位; |
| 監測平臺 | 云平臺;手機/電腦多終端登錄 |
| 防護罩 | 304 不銹鋼濾筒防護罩 |
| 浮體 | 直徑414mm 球形浮體*4工程塑料 |
2.可選配傳感器的主要參數
| 序號 | 名稱 | 測量范圍 | 測量原理 | 測量精度 | 是否標配 | 備注 |
| 1 | 溫度 | 0~50℃ | 高精度數字傳感器 | ±0.3℃ | ? | |
| 2 | pH | 0~14(ph) | 電化學(鹽橋) | ± 0.1PH | ? | |
| 3 | ORP | -1500mv~1500mv | 電化學(鹽橋) | ± 6mv | ||
| 4 | 電導率 | 0~5000uS/cm | 接觸式電極法 | ± 1.5% | ? | |
| 5 | 濁度 | 0~40NTU(低濁) | 散射光法 | ± 1% | 低濁可定制 | |
| 0~1000NTU(中濁) | 散射光法 | ± 1% | 中濁可定制 | |||
| 0~3000NTU(高濁) | 散射光法 | ± 1% | ? | 默認發 | ||
| 6 | 溶解氧 | 0~20mg/L | 熒光壽命法 | ± 2% | ? | |
| 7 | 氨氮 | 0~100mg/l | 離子選擇電極法 | ±1mg | ? | |
| 8 | cod | 0~500mg/ L | UV254 吸收法 | ±5% | 默認發、cod濁度一體;帶有自動清潔器,可防止生物附著,避免光窗污染,以保證長期監測依然具有穩定性;可設置自動清潔時間及清潔次數,功耗0.7W | |
| 濁度 | 0~400NTU | 散射光法 | ± 1% | |||
| 9 | 懸浮物 | 0~2000mg/L | 散射光法 | ±5%(取決于污泥同質性) | ||
| 10 | 葉綠素 | 0~400ug/L | 熒光法 | R2>0.999 | 帶有自動清潔器,可防止生物附著,避免光窗污染,以保證長期監測依然具有穩定性;可設置自動清潔時間及清潔次數,功耗0.7W |
四、產品尺寸圖

五、設備安裝要求
1.遠離大功率無線電發射源
2.遠離高壓輸電線和微波無線電傳送通道
3.盡量靠近數據傳輸網絡
4.遠離強電磁干擾
六、云平臺介紹
1.CS架構軟件平臺,支持手機、PC瀏覽器直接觀測.無需額外安裝軟件。
2.支持多帳號、多設備登錄
3.支持實時數據展示與歷史數據展示儀表板
4.云服務器.云數據存儲,穩定可靠,易于擴展,負載均衡。
5.支持短信報警及閾值設置
6.支持地圖顯示、查看設備信息。
7.支持數據曲線分析
8.支持數據導出表格形式
9.支持數據轉發,HJ-212協議,TCP轉發,http協議等。
10.支持數據后處理功能
11.支持外置運行javascript腳本
WX-QSZ06取水水質六參數監測微系統,是一種集成了現代傳感技術、物聯網技術和數據分析技術的智能水質監測系統。它能夠實時監測并分析水中的關鍵參數,包括水溫、電導率、PH、溶解氧、氨氮、濁度,從而全面評估水質的狀況。取水水質六參數監測微系統的優勢實時性:系統能夠24小時不間斷地監測水質參數,確保數據的及時性和準確性。...
WX-GSZ05排水管網水質監測系統是一種集成了多種先進技術于一體的智能化監測設備。它主要部署在排水管網的關鍵節點,如污水處理廠入口、工業排放口以及管網交匯處等,通過實時監測管網中的水質狀況,為城市水環境管理提供科學、準確的數據支持。該系統的核心在于其高度集成的監測單元。這些監測單元能夠實時感知管網中的水質參數,包括但不限于溫度、電導率、PH、溶解氧、氨氮等。...
汛期是河流洪水災害的高發期,也是防汛工作的關鍵時期,WX-SW2自動水位雨量監測站能夠實現對河流水位和雨量的連續、實時監測。當水位或雨量超過預設閾值時,系統會自動觸發預警機制,向相關部門和人員發送預警信息,以便迅速采取措施應對可能的洪水災害。還有在干旱季節,通過監測河流水位的變化,可以合理安排灌溉和取水計劃,確保水資源的合理利用。...
WX-QSZ06取水水質六參數監測系統最大的亮點之一在于其實時監測與預警功能。通過物聯網技術,系統能夠24小時不間斷地收集數據,一旦發現水質參數異常,立即觸發預警機制,通過手機APP、短信或郵件等多種方式通知管理人員。這種即時反饋機制,極大地縮短了水質問題的發現與處理時間,有效防止了水質污染事件的擴大,保障了供水安全。...
WX-ZS3多參數水質監測儀是一款萬象環境生產的水質監測設備,無論是飲用水還是工業用水,水質安全監管的重要性不言而喻,飲用水中的有害細菌、重金屬、有機污染物等可導致各類疾病的傳播,多參數水質監測儀正是應對這一系列挑戰的有效利器,該儀器集快速檢測、便捷操作、現場讀數等多項優點于一身,無需繁瑣調校,大大提升了工作效率。...
WX-QSZ04取水水質四參數監測系統是一種集成了高精度傳感器與智能數據處理技術的先進設備。它通過對水質中四個關鍵參數——pH值、電導率、水溫以及溶解氧(部分系統還包括濁度)的實時、連續、自動監測,全面反映水體的基本物理性質和化學狀態。這四個參數是衡量水質優劣的重要指標,直接關聯著水體的生物活性、離子濃度、酸堿平衡及透明度等多個方面。...